SEMI-BOILED SOAP-MAKING


SOAP-MAKING (SI-3)
   


(click on any unit button or on any item for further details)


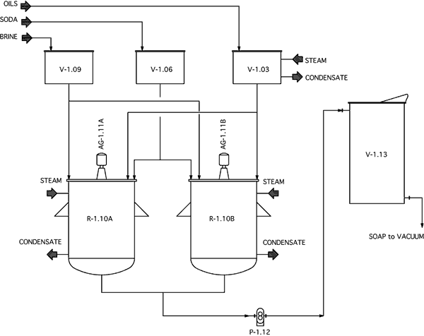
Oils, caustic soda and some brine are fed to the saponification reactor equipped with heating system and agitator.
When the reaction starts, as saponification is an exothermic reaction, heating can be eliminated.
In few hours the soap is ready and is pumped to the following Vacuum Cooling and Drying plant.



 
©1999-2002 MECCANICHE MODERNE Chemical Plants Division S.R.L.
www.mecmodcpd.com     www.soapdifferent.it